TUHH Open Research
Help
  • Log In
    New user? Click here to register.Have you forgotten your password?
  • English
  • Deutsch
  • Communities & Collections
  • Publications
  • Research Data
  • People
  • Institutions
  • Projects
  • Statistics
  1. Home
  2. TUHH
  3. Publications
  4. Concatenated Bragg grating fiber-optic sensors for simultaneous measurement of curvature, temperature, and axial pressure
 
Options

Concatenated Bragg grating fiber-optic sensors for simultaneous measurement of curvature, temperature, and axial pressure

Citation Link: https://doi.org/10.15480/882.13129
Publikationstyp
Journal Article
Date Issued
2024-07-08
Sprache
English
Author(s)
Shojaei Khatouni, Sohrab 
Mikrosystemtechnik E-7  
Zakowski, Sven  
Hosseini Vedad, Reza  
Masjedi, Mustafa
Askar, Akram
Ewald, Jan Christian Eli  
Trieu, Hoc Khiem  
Mikrosystemtechnik E-7  
TORE-DOI
10.15480/882.13129
TORE-URI
https://hdl.handle.net/11420/48263
Journal
Journal of sensors and sensor systems  
Volume
13
Issue
2
Start Page
147
End Page
155
Citation
Journal of Sensors and Sensor Systems 13 (2): 147-155 (2024)
Publisher DOI
10.5194/jsss-13-147-2024
Scopus ID
2-s2.0-85198274201
Publisher
Copernicus Publications
Peer Reviewed
true
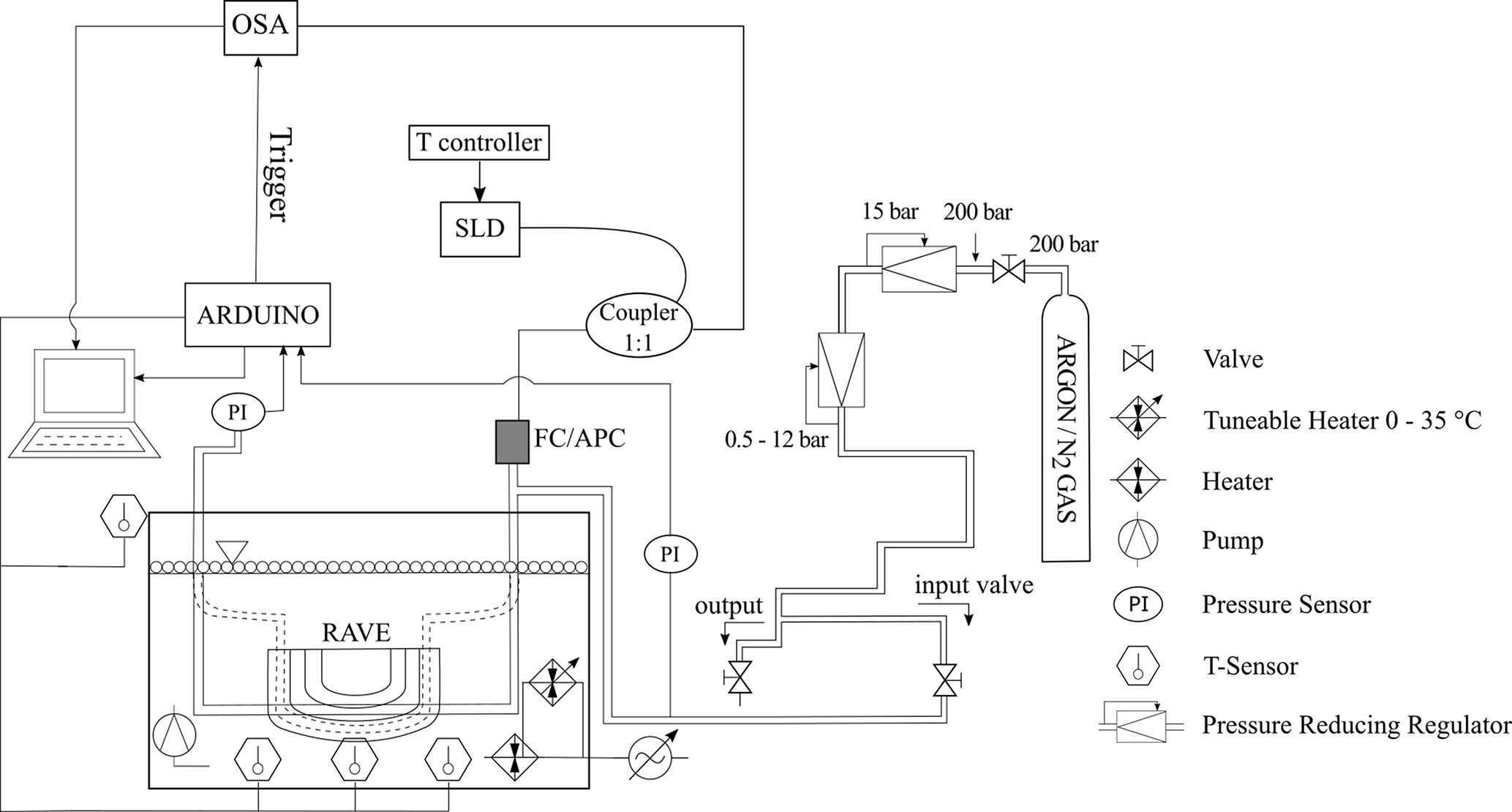
This paper presents the development and evaluation of four sensors based on multiple fiber Bragg grating (FBG) constellations embedded in a silicon dioxide single-mode fiber (SMF) for simultaneous measurement of pressure, temperature, and bending curvature. We applied dimension and material variations – including core, cladding, and coating dimensions; coating material; and the number and arrangement of the FBGs – to optimize the reflected signal response and increase information density. A bootstrap-aggregated ensemble of decision trees was used to evaluate the sensor signal. The results show that adjusting the cladding-to-coating ratio led to significant improvements in pressure and bending prediction performance. Additionally, two combined FBGs were fabricated to form a fiber Bragg grating Fabry–Pérot interferometer, which enabled the detection of curvature with a root-mean-square error (RMSE) of 0.0034 L mm -1( R2=1), axial pressure with an RMSE of 0.0564 bar ( R2=0.99), and temperature with an RMSE of 0.0265 °C ( R2=1). At the time of writing, there is no commercially available instrument that can perform these measurements simultaneously.
Subjects
MLE@TUHH
DDC Class
621.3: Electrical Engineering, Electronic Engineering
620: Engineering
530: Physics
Funding Organisations
Hamburg Innovation GmbH  
Bundesministerium für Bildung und Forschung (BMBF)  
Avicenna Studienwerk e.V.
Publication version
publishedVersion
Lizenz
https://creativecommons.org/licenses/by/4.0/
Loading...
Thumbnail Image
Name

jsss-13-147-2024-f04.png

Size

55.06 KB

Format

PNG

Loading...
Thumbnail Image
Name

jsss-13-147-2024-f03.png

Size

305.96 KB

Format

PNG

Loading...
Thumbnail Image
Name

jsss-13-147-2024-f05.png

Size

66.99 KB

Format

PNG

Loading...
Thumbnail Image
Name

jsss-13-147-2024-t03.png

Size

189.86 KB

Format

PNG

Loading...
Thumbnail Image
Name

jsss-13-147-2024-t02.png

Size

340.87 KB

Format

PNG

Loading...
Thumbnail Image
Name

jsss-13-147-2024-t01.png

Size

355.72 KB

Format

PNG

Loading...
Thumbnail Image
Name

jsss-13-147-2024.pdf

Type

Main Article

Size

1.41 MB

Format

Adobe PDF

Loading...
Thumbnail Image
Name

jsss-13-147-2024-f02.png

Size

270.4 KB

Format

PNG

Loading...
Thumbnail Image
Name

jsss-13-147-2024-f01.png

Size

148.5 KB

Format

PNG

TUHH
Weiterführende Links
  • Contact
  • Send Feedback
  • Cookie settings
  • Privacy policy
  • Impress
DSpace Software

Built with DSpace-CRIS software - Extension maintained and optimized by 4Science
Design by effective webwork GmbH

  • Deutsche NationalbibliothekDeutsche Nationalbibliothek
  • ORCiD Member OrganizationORCiD Member Organization
  • DataCiteDataCite
  • Re3DataRe3Data
  • OpenDOAROpenDOAR
  • OpenAireOpenAire
  • BASE Bielefeld Academic Search EngineBASE Bielefeld Academic Search Engine
Feedback